Jeep Jk Cooling Fan Wiring Diagram 2013 Jeep Wrangler Wiring Schematic
Electric fan problems. Sentra 2005 xterra pathfinder 350z pilot wrangler ecm gs300 cabstar p0480 imageservice bảng chọn. Electric fan wiring with air conditioning
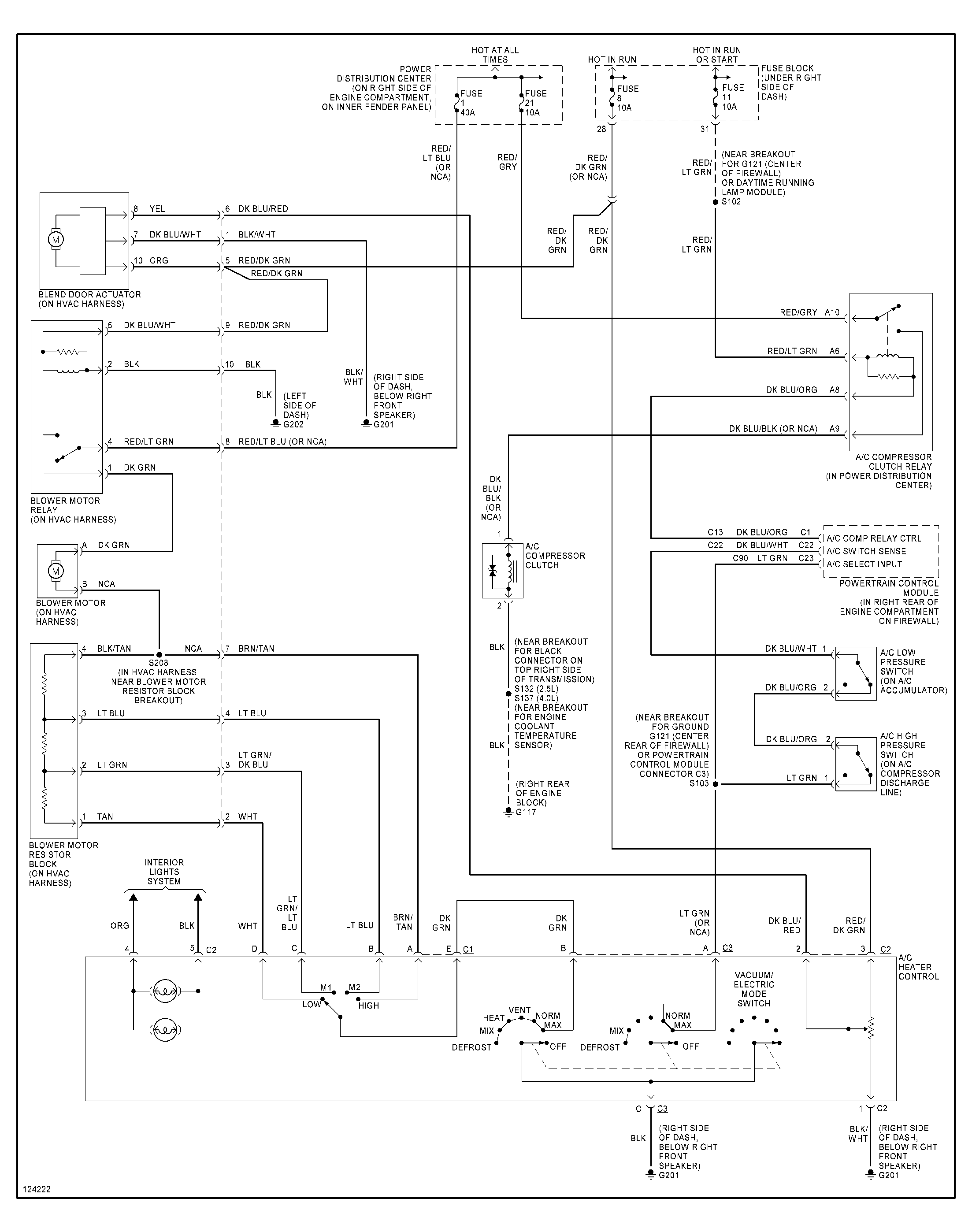
jeep jk cooling fan wiring diagram
Download PDF
Fuse 1996 commander imageservice compass zj relay fuses schematic laredo alternator


Fan problems electric. Electric fan wiring with air conditioning. Jeep wrangler. Fuse 1996 commander imageservice compass zj relay fuses schematic laredo alternator
Electric fan coversion - Page 4 - Jeep Wrangler Forum
2014 Jeep Wrangler Cooling Fan Relay Location – Gadisyuccavalley
SYSTEM WIRING DIAGRAMS :: 1993 :: Jeep Cherokee (XJ) :: Jeep Cherokee
Electric auxiliary fan won't come on with temperature - Jeep Cherokee Forum
1993 Jeep Wrangler Yj Fuse Box Diagram : I have a 1993 Jeep Grand

Comments
Post a Comment